The AAPG/Datapages Combined Publications Database
AAPG Bulletin
Figure
AAPG Bulletin; Year: 2025; Issue: July DOI: 10.1306/06132522006
Return to Full Text
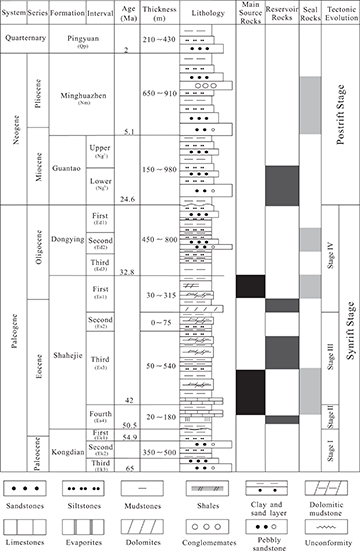
Figure 2. Generalized stratigraphic column for the Paleogene sediments in the Zhanhua depression (modified from Wang et al., 2005).
Figure 2. Generalized stratigraphic column for the Paleogene sediments in the Zhanhua depression (modified from Wang et al., 2005).